Циклон ЦОЛ
Применение циклона ЦОЛ обусловлено необходимостью очистки воздушной смеси от пыли, образующейся в результате различных технологических процессов из пневматической или аспирационной систем. Эксплуатация данного фильтрационного оборудования позволяет очищать пылевоздушную смесь от частиц, величиной более 125 мкм (дерево-стружка, злаковая пыль, шелуха от семечек подсолнуха и др.). Использование этого циклона для фильтрации воздуха от волокнистой, слипающейся и влажной пыли – не эффективно. Широко распространен в деревообрабатывающей отрасли, элеваторах, помольных производствах. Циклон ЦОЛ допускается устанавливать в закрытых помещениях.
Противоподсосное конусное устройство, позволяет контролировать давление воздушого потока на входном патрубке, если циклон ЦОЛ установлен на линии нагнетания. При использовании циклона на линии разрежения необходимо применять зонт на выхлопной трубе, для исключения возможности попадания атмосферных осадков в корпус. При расположении вентиляционной установки после циклона, необходимо применять пылеочиститель с раскручивателем типа улитка, для нормализации очищенного воздушного потока.
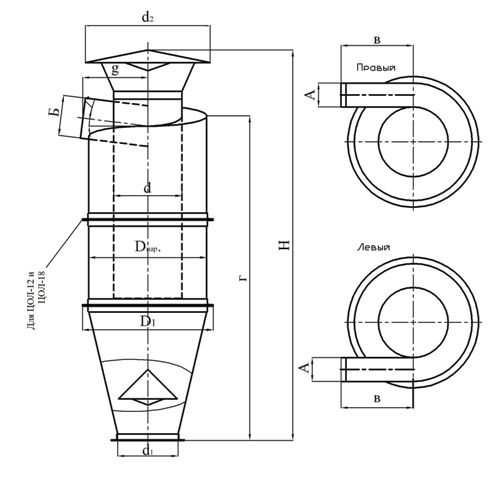
Устройство циклона ЦОЛ производится в двух типах с левым и правым направлением вихревого потока. Температура пылевоздушного потока не должна превышать 50°С. Скорость входящего потока воздушной смеси составляет от 15 м/с до 18 м/с, что обеспечивает циклону хорошую производительность.

Основные характеристики циклона ЦОЛ
| Типоразмер | Воздухообмен (производительность по воздуху) | Высота H, мм | Диаметр D, мм | Масса, кг | Тип материала |
| Циклон ЦОЛ-1 | 1000 м3/час | 1505 | 453 | 47 | сталь Ст.3 - 1,5 мм |
| Циклон ЦОЛ-1,5 | 1500 м3/час | 1840 | 560 | 65 | сталь Ст.3 - 1,5 мм |
| Циклон ЦОЛ-3 | 3000 м3/час | 2655 | 788 | 125 | сталь Ст.3 - 1,5 мм |
| Циклон ЦОЛ-4,5 | 4500 м3/час | 3260 | 969 | 175 | сталь Ст.3 - 1,5 мм |
| Циклон ЦОЛ-6 | 6000 м3/час | 3735 | 1105 | 275 | сталь Ст.3 - 1,5 мм |
| Циклон ЦОЛ-9 | 9000 м3/час | 4530 | 1367 | 400 | сталь Ст.3 - 2 мм |
| Циклон ЦОЛ-12 | 12000 м3/час | 5265 | 1580 | 600 | сталь Ст.3 - 2 мм |
| Циклон ЦОЛ-15 | 15000 м3/час | 6900 | 1766 | 720 | сталь Ст.3 - 2 мм |
| Циклон ЦОЛ-18 | 18000 м3/час | 6340 | 1932 | 840 | сталь Ст.3 - 2 мм |